Skip to main content
Typiquement capteurs inductifs Retour à l'Aperçu

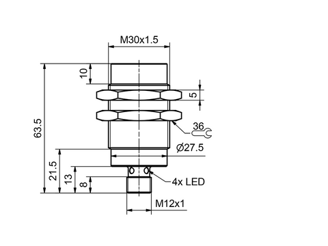
IMT 30-FM-S-NB2-PSL-L4M

IMT 30 - facteur 1

Une variante du produit:

Code de commande:

IMT 30-FM-S-NB2-PSL-L4M

Code article:

996-01032

Courte description:

Capteur inductif M30 / boîtier tout métal / facteur 1

Description

  • Boîtier en une seule pièce entièrement en acier inoxydable
  • Grande portée
  • Capteurs facteur 1 sur acier et aluminium
  • Extrêmement robuste
  • Résistant à la pression / étanche IP 68 / IP 69K
  • IO-Link 1.1

Données techniques

Distance de commutation nominale Sn [mm]
40
Répétabilité [mm]
1,4
Interface
IO-Link
Vitesse [Hz]
≤ 90
Montage
Non-noyable
Boîtier
Inox
Série
M30
Type
Forme cylindrique
Sortie de commutation
PNP
Température de fonctionnement [°C]
-25 ... +85
Type de connexion
Connecteur en metal, M12 4 pôles
Indice de protection
IP68, IP69K

Accessoires

L4/L4-2m-PUR

M12 prise, 4 pôles, droit, sur M12 connecteur, 4 pôles, droit, longueur 2 m, codé a, PUR, IP 65, IP 67, IP 68, IP 69

L4/L4-5m-PUR

M12 prise, 4 pôles, droit, sur M12 connecteur, 4 pôles, droit, longueur 5 m, codé a, PUR, IP 65, IP 67, IP 68, IP 69

L4-300mm-G-PUR

M12 prise, 4 pôles, droit, extrémités ouvertes, Longueur 0,3 m, codé a, PUR, IP 65, IP 67, IP 68

L4-2m-G-PUR

M12 prise, 4 pôles, droit, extrémités ouvertes, longueur 2 m, codé a, PUR, IP 65, IP 67, IP 68

L4-2m-W-PUR

M12 prise, 4 pôles, 90° coudé, extrémités ouvertes, 4 fils, longueur 2 m, codé a, PUR, IP 65, IP 67, IP 68

L4-2m-W-PL-PUR

M12 prise, 4 pôles, 90° coudé, extrémités ouvertes, 4 fils, longueur 2 m, codé a, PUR, à affichage LED, IP 65, IP 67, IP 68

L4-5m-G-PUR

M12 prise, 4 pôles, droit, extrémités ouvertes, longueur 5 m, codé a, PUR, IP 65, IP 67, IP 68

L4-5m-W-PUR

M12 prise, 4 pôles, 90° coudé, extrémités ouvertes, 4 fils, longueur 5 m, codé a, PUR, IP 65, IP 67, IP 68

L4-5m-W-PL-PUR

M12 prise, 4 pôles, 90° coudé, extrémités ouvertes, longueur 5 m, codé a, PUR, à affichage LED, IP 65, IP 67, IP 68

L4-10m-G-PUR

M12 prise, 4 pôles, droit, extrémités ouvertes, longueur 10 m, codé a, PUR, IP 65, IP 67, IP 68

L4-10m-W-PL-PUR

M12 prise, 4 pôles, 90° coudé, extrémités ouvertes, 4 fils, longueur 10 m, codé a, PUR, à affichage LED, IP 65, IP 67, IP 68

L4-15m-W-PL-PUR

M12 prise, 4 pôles, 90° coudé, extrémités ouvertes, 4 fils, longueur 15 m, codé a, PUR, à affichage LED, IP 65, IP 67, IP 68

L4S-2m-G-PVC

M12 prise, 4 pôles, droit, extrémités ouvertes, 4 fils, longueur 2 m, codé a, PVC, IP 67

L4S-5m-G-PVC

M12 prise, 4 pôles, droit, extrémités ouvertes, 4 fils, longueur 5 m, codé a, PVC, IP 67

L4S-2m-W-PVC

M12 prise, 4 pôles, 90° coudé, extrémités ouvertes, 4 fils, longueur 2 m, codé a, PVC, IP 67

L4S-5m-W-PVC

M12 prise, 4 pôles, 90° coudé, extrémités ouvertes, 4 fils, longueur 5 m, codé a, PVC, IP 67

CL4 FG-E-5m-PVC

M12 prise, 4 pôles, droit, extrémités ouvertes, 4 fils, longueur 5 m, PVC, IP 67, IP 69

CL4 FW-E-5m-PVC

M12 prise, 4 pôles, 90° coudé, extrémités ouvertes, 4 fils, longueur 5 m, PVC, IP 67, IP 69

Our website is available in different languages. We have detected "English" as your browser language or couldn't detect your language.